涂裝板施工詳解發泡膠固定法
1施工前,內墻表面必須堅固、平整、無塵埃,然后按設計要求在將要裝板的位置垂直涂膠一遍,膠的寬度不小于50mm,再按圖紙要求貼發泡橡膠條。
2在已貼的發泡橡膠條上和對應位置的涂裝板背面也涂上寬度不小于50mm的膠。
3當發泡橡膠條和涂裝板背面已涂的膠不在沾手時,即可將涂裝板對位貼上,并用力壓有膠條的位置使粘結牢固。
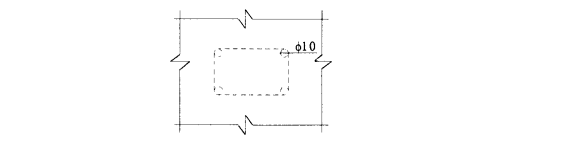
4當在涂裝板墻上開孔時,有以下兩種情況:第一種當開圓孔時可直接用圓孔切割機進行切割,第二種是非圓孔時須在孔的每個轉角上鉆一個直徑10mm的圓孔,圓孔的圓周與轉角點的兩邊相切,然后用切割機沿著切點直線進行切割。

5如果時硅酸鹽板與輕鋼龍骨的基墻或金屬骨架的基墻時,可在除塵后即按上述程序進行。

